Оглавление

Котел на биотопливе

Котлы на биотопливе в Гатчине

Отопительные котлы на биотопливе наиболее актуальны для производств деревообработки, погонажных и мебельных производств, лесхозов, столярных цехов, для сушки древесины в сушильных камерах, также их применяют лесопилки и пилорамы и др.

Котлы на биотопливе применяются не только как утилизаторы отходов, но и могут использоваться в отоплении и горячем водоснабжении производственных предприятий, при этом не будет финансовых затрат на производимое тепло.

Отопительные котлы на биотопливе описание

Промышленные котлы на биотопливе – агрегаты с ручной, вихревой или подовой топкой, либо ретортной горелкой мощностью от 0.15 до 2 МВт, разработанные специально для сжигания низкозольных отходов, таких как опилки, щепа, стружка, лузга, пеллеты, кора и другие. Агрегат с вихревой топкой производится с автоматической загрузкой мелкофракционного топлива шнековым транспортером, но возможна и ручная загрузка крупногабаритных отходов через топочную дверь.

Установки могут работать с топливом очень высокой влажности, до 60 %.

Вид котлаБиотопливо для котла отопленияМощность, МВт
Универсальный автоматический с вихревой топкойопилки, пеллеты, щепа, кора, стружка, лузга подсолнечникаот 0.15 до 2 МВт
Ручной с подовой топкойдрова, бревна, поленья, горбыль, щепа, кора, стружка, опилки, доски, поддоны, ДСПот 0.15 до 1.5 МВт
Автоматический с ретортной горелкойпеллетыот 0.15 до 0.8 МВт

Водогрейный котел на биотопливе с вихревой топкой

Преимущество вихревой топки перед остальными является возможность сжигания очень влажного древесного топлива.

Водогрейный котел на биотопливе состоит из бункера, шнекового питателя, вихревой топки, котельного блока с конвективными пакетами.

Вихревая топка представляет собой опорный каркас под установку агрегата. При работе с биотопливом для котлов высокой влажности применяется зажигательный пояс, который способствует усилению зажигания и устойчивости горения. Облицовка топки выполняется из огнеупорного кирпича и шамотного бетона. Пояс зажигания в котором держится высокая температура препятствует теплоотдачи от факела, за счет чего происходит интенсивная сушка сырых древесных отходов. Вихрь создается раздельной подачей воздуха. Для создания первичного вихря в зону топливоподачи высоконапорным вентилятором подается первичный воздух. Вторичный воздух подается вентилятором среднего давления для дожига и поддержания вторичного вихря.

Из бункера топливо в агрегат подается шнековым питателем. Приводом питателя служит мотор редуктор. Для того, чтобы в шнековом питателе не возникло воспламенение топлива в конструкции предусмотрено воздушное охлаждение выходного узла.

Бункер и привод питателя располагаются на общей раме. Конструкция бункера под древесное топливо и узел соединения со шнековым питателем позволяет полностью опорожнять бункер за счет питателя топлива.

Водогрейный промышленный котел на биотопливе состоит из топочной камеры экранированной газоплотными сварными панелями с вертикальными трубами соединенных раздающими и собирающими коллекторами. Обмуровка выполняется из тепловой обшивки и декоративных листов. Выход газов осуществляется сзади и сверху топочного блока.

Принцип работы вихревой топки. В вихревой топке при вводе топлива в топку скорость воздушного потока значительно больше скорости движения частиц топлива, то есть частица топлива постоянно обдувается новыми порциями свежего воздуха, обеспечивающими высокую интенсивность горения. Но по мере потери частицей топлива массы и размера скорость ее движения приближается к скорости движения воздушного потока. В этой части топки котла на био топливе воздушный поток уже значительно обеднен кислородом, поэтому, несмотря на малый размер частиц, процесс горения резко замедляется. В результате возникает значительный механический недожог. Увеличению механического недожога способствует центробежная сила, образующаяся в результате кругового движения частиц топлива. При этом более крупные частицы отбрасываются в периферийную область, к стенкам топки, где они не успевают догореть, поскольку температура стенок топки ниже температуры газового потока в центральной части топки. Для устранения механического недожога применяют распределенную по высоте подачу воздуха в топку агрегата. Такая подача, с одной стороны, турбулизирует поток и способствует дожиганию мелких частиц, а с другой - отбрасывает крупные частицы топлива в центральную часть топки, где существуют обратные газовые потоки, возвращающие крупные частицы в очаг горения.

Преимущества котлов на биотопливе с вихревой топкой

  • полностью автоматический режим работы агрегата;
  • вихревой режим работы горения обеспечивает максимальный дожиг частиц топлива;
  • бездымное сгорание древесного топлива;
  • автоматическое пажаротушение топливоподачи, не требуется установка систем искрогашения;
  • котлоагрегат работает на нескольких видах топлива, возможна утилизация любых отходов деревообрабатывающего предприятия;
  • работа с древесным топливом высокой влажности (60%);
  • зольность отсутствует, чистка аппарата производится очень редко;
  • автоматический режим дозирования подачи топлива;
  • выбранная скорость движения воды в теплообменных трубах от 1 до 1.5 м/с обеспечивает безнакипную работу агрегата.

Котлы на биотопливе с подовой топкой

Промышленный котел на древесных отходах с подовой топкой конструктивно выполнен моноблоком: блок котла и ручная подовая топка с поясом зажигания.

Котельная установка работает с уравновешенной тягой, которую обеспечивает дутьевой вентилятор и дымосос. Агрегат имеет гидравлическую схему потока воды исключающую образование застойных зон, перегрев поверхностей нагрева, обеспечивает хороший теплосъем, отсутствие накипи и, следовательно, необходимость в тщательной водоподготовке. Качественная газоплотная теплоизоляция котлоагрегата гарантирует максимальное уменьшение потерь тепла через стенки котла и изоляцию, отсутствие присосов холодного воздуха в топочную камеру, делая процесс горения топлива более интенсивным и эффективным.

Большой объем топочной камеры позволяет применять для сжигания влажного горбыля, бревен в нем можно утилизировать поддоны, паллеты, доски, отходы мебельного производства и ДСП. В топку можно загружать сырые, влажные опилки и щепу.

Котлы на биотопливе представляют собой сварные конструкции, состоящие из трубной системы (радиационной и конвективной поверхности нагрева), опорной рамы и каркаса с теплоизоляционными материалами, обшитого листовой сталью. Агрегат имеет П-образную сомкнутую компоновку. Газы в конвективной части проходят два хода и выходят через газоход в верхней части задней стенки котла. В поде топки имеются многочисленные воздуховоды для интенсивной подачи воздуха в зону горения. Теплоизоляция блока котлоагрегата выполнена из муллитокремнеземистого войлока и теплоизоляционной плиты ПТЭ. Обшивка агрегата выполнена из стальных листов. Для очистки конвективных поверхностей нагрева от сажистых отложений предусмотрены люки.

Автоматические ретортные котлы на биотопливе

Промышленный водогрейный котел на биотопливе - древесных отходах, стружке, грбыле, пелетах с ретортной топкой работает полностью автоматически. Автоматика осуществляет автоматический розжиг, запуск, работу регулировку давления и остановку агрегата в случае превышения допустимых параметров работы. Автоматика осуществляет автоматическую подачу топлива с контролем производительности по заданной температуре теплоносителя. Подача воздуха осуществляется в зависимости от объема поданного древесного топлива. В агрегате с автоматической подачей предусмотрена система пожаротушения в случае воспламенения топлива в топливопроводе.

Комплект автоматики состоит из щита управления агрегатом, контрольно измерительных приборов КИП и исполнительных механизмов.

Котел на биотопливе работает с автоматикой, включающей в себя контроль и регулировку следующих параметров:

  • разряжения в топочной камере;
  • давления теплоносителя на выходе;
  • температуры теплоносителя на выходе;
  • содержания кислорода в дымовых газах;
  • наличие давления в системе пожаротушения топливопровода;
  • контроля факела;
  • контроля минимального расхода теплоносителя.

Ретортная горелка имеет Г-образную форму и снабжена чашей для сжигания древесного топлива. Топливо на чашу поступает снизу реторты. Древесные отходы движутся из бункера за счет шнека. Пламя горелки направляется вверх. Воздух, поступающий в область горения, поддерживает интенсивность пламени и охлаждает ретортную горелку, что предотвращает перегрев оборудования. Горелка снабжена отверстиями, через которые проникает вторичный воздух.

Котлоагрегаты нашего производства являются аналогами ковровских котлов на биотопливе.

Паровой котел на биотопливе

Паровые котлы на биотопливе изготавливаются стальными двух барабанными с естественной циркуляцией с экранированной топочной камерой, вихревой топкой и автоматической шнековой подачей. Котлоагрегаты работают с принудительной подачей питательной воды.

Конструкция агрегата состоит из:

  • трубной системы с барабанами;
  • вихревой топки;
  • натрубной теплоизоляции с каркасом и обшивкой;
  • системы питания;
  • системы управления;
  • тяговое устройство;
  • бункера для доевесного топлива;
  • шнекового питателя;
  • котельного блока с конвективными пакетами.
ПаропроизводительностьТемпература пара, доДавление пара, доКонструкцияВид древесного топлива
1000 кг пара час115 - 170 °С0.9 МПа 99 кгс/см2)барабанныйопилки, щепа, пеллеты, при ручной загрузке - дрова, поддоны и др.

Котел на биотопливе работает в полностью автоматическом режиме. Автоматика осуществляет автоматический розжиг, запуск, работу и остановку агрегата. На случай возникновения необходимости сжигания дополнительно крупногабаритных древесных отходов, автоматика может переключиться в ручной режим работы и подача топлива осуществляется вручную через загрузочную дверку.

Одним из самых важных устройств, обеспечивающих безопасную эксплуатацию установки, является предохранительный клапан. Он обеспечивает сброс пара при превышении давления в агрегате свыше допустимого и предохраняет установку от разрушения.

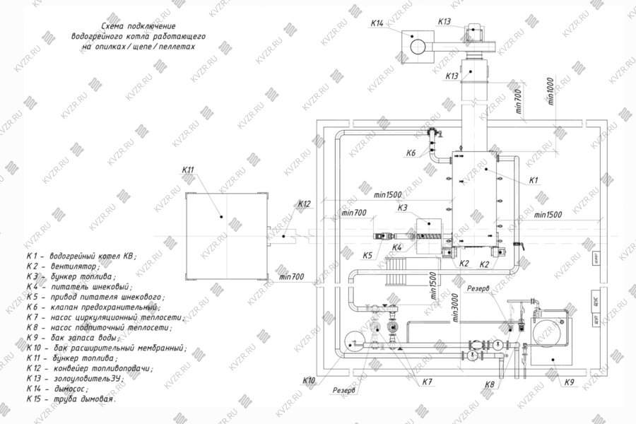
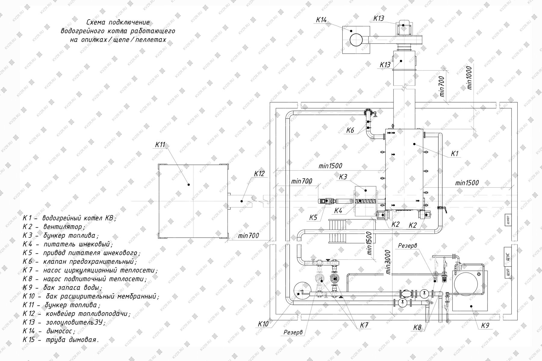
Котельная на биотопливе

Наш завод производит водогрейные и паровые котельные на биотопливе — это полностью оборудованное, технически оснащенное помещение, предназначенное для производственных предприятий, где необходимо обеспечить качественное, постоянное и эффективное отопление промышленных цехов и площадок с минимальными затратами. Все технологическое оборудование размещено внутри блока заводского изготовления.

Биотопливо для котлов, его физические характеристики и химический состав оказывают влияние на весь процесс работы котельной, включая работу котла, его теплотворную способность, количество сжигаемого топлива, подачу топлива в топку, способ сжигания и пр.

Поэтому оборудование котельной подбирается в зависимости от того, какого качества топливо будет использоваться. Если топливо влажное, то рекомендуется использовать котлы с предтопком, смонтированным в конструкцию. Поверхность предтопка покрыта обмуровкой с формированием небольших участков (поверхностей) нагрева, которые обеспечивают высокую температуру для осуществления сжигания топлива.

Оборудование для котельной на биотопливе:

  • котел с запорной арматурой и предохранительным клапанами;
  • вентиляторы первичного и вторичного воздуха;
  • топливный бункер склад (в штатной конструкции котла или отдельное механизированное устройство);
  • насос;
  • дымосос;
  • дымовая труба;
  • газоходы;
  • система автоматики;
  • система водоподготовки (в случае жесткой воды).

Завод выполняет всю работу от создания проекта до подбора мощности, монтажа и наладки котельной по месту.

Купить котел на биотопливе

Для того чтобы купить промышленные котлы на биотопливе в Гатчине, вы можете оформить заявку в отделе сбыта по телефону (38-52) 29-97-41 (42), либо оформить заявку онлайн. Наши менеджеры дадут консультацию по подбору вспомогательного оборудования для выбранных вами моделей и рассчитают стоимость доставки до вашего региона и населенного пункта по всей России и республике Казахстан, Таджикистан и Монголии. Также предлагаем вам выполнить проект реконструкции котельной.

Автор: Антон Гор

Дата публикации: 08.12.2025

Похожие статьи
О заводе
  • Котельный завод «РЭП» выпускает водогрейные котлы марки HeatExpert и паровые котлы STEAMEXPERT, топки, транспортеры, скиповые подъемники, циклоны и вспомогательное оборудование. Каждое изделие собирается с тщательным контролем качества на всех этапах.
  • Наше оборудование успешно работает практически во всех регионах России от Крыма до Камчатки, на территории соседних государств Казахстана, Белоруссии, Монголии, Литвы, Узбекистана.
  • Разработки проектного отдела завода имеют патенты. Оборудование производится по типовым проектам и по техническим заданиям.
  • Вся продукция завода сертифицирована.
  • Аттестованная технология сварки позволяет выпускать поднадзорную продукцию.
  • Выполняем разделы проектов теплоснабжения для прохождения экспертизы и составления проектно-сметной документации. Состоим в реестре членов СРО для выполнения проектных и строительных работы.
  • Выполняем инженерно-консультационные услуги по эксплуатации и наладке котельных.
3D-турпо заводу

Виртуальный тур нашего завода

3D-турпо котельной

Виртуальный тур нашего завода

Смотреть видеообзор на

Котельный завод изготавливает промышленные паровые и водогрейные котлы на биотопливе - опилки, щепа, стружка, кора, лузга подсолнечника, пеллеты и др.

Наш youtube канал
Документы завода
  • Сертификаты завода
  • Членство в СРО
  • Аттестованная технология сварки
  • Патенты на котельное оборудование
  • Товарные знаки
Смотреть все документы
Сертификат на водогрейные котлы на твердом и жидком топливе
Сертификат на водогрейные котлы на газе и жидком топливе
Сертификат на котлы отопительные паровые КП
Сертификат на топки
Сертификат на щиты управления
Сертификат на скиповые подъемники
Сертификат на золоуловители (циклоны)
Сертификат на конвейеры скребковые
Сертификат на дробилки
Сертификат на клапаны предохранительные
Сертификат на бункер-накопитель механизированный
Сертификат на автоматику газовых горелок
Сертификат о происхождении товара форма СТ-1
Членство в СРО
Членство в СРО
Аттестованная технология сварки
Свидетельство аттестованной технологии сварки
Патент на отопительный котел
Патент на водогрейный котел
Патент на топку водогрейного котла
Патент на водогрейный газовый котел
Патент на водогрейный котел
Патент на топочное устройство твердотопливного котла
Патент на водогрейный котел
HEATEXPERT товарный знак
KVZR товарный знак
STEAMEXPERT товарный знак
background